• 128x64-graphic-lcd-display-module-bg12864d

128x64 Graphic LCD Display Module | BG12864D

● SMT with metal frame
● Built-in controller UCi6963c or equivalent
● +5V single power supply, with built-in negative voltage
● 1/64 duty cycle
● Option:Temperature compensation
● Option: LED array/edge B/L,EL B/L
● Option: External negative voltage
Model : BG12864D


BG12864D


BG12864D is a monochrome 128x64 graphic LCD display module made using SMT with metal frame.

It has a built-in controller UCi6963c or equivalent. BG12864D also provides the option for temperature compensation circuit.

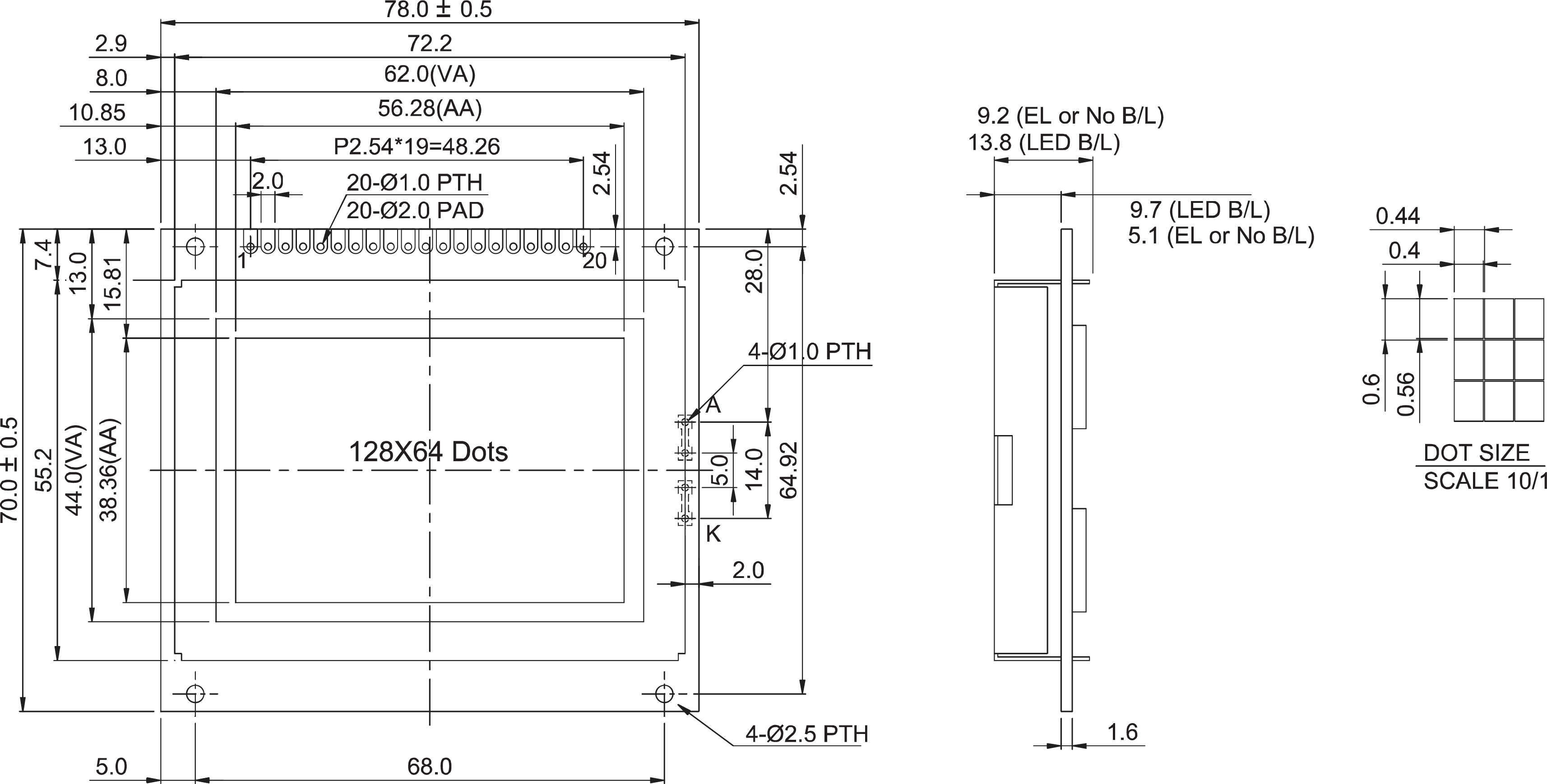
Module dimension of BG12864D is (78x70) mm and viewing area is (62x40) mm.

It supports 5V power supply and provides option of 3V power supply as well.

bg12864d-drawing.png






● Mechanical Data

Item

Standard Value

Unit

Module Dimension

78.0 x 70.0 

mm

Viewing Area

62.0 x 44.0

mm

Dot Size

 0.40 x 0.56 

mm

Dot Pitch

0.44 x 0.60

mm




 ● Pin Assignment

Pin

Symbol

Function

1

FG/Vee

Frame ground / Negative voltage output

2

Vss

Power supply (GND)

3

Vdd

Power supply (+5V)

4

Vo

Contrast Adjustment

5

/WR

Data write

6

/RD

Data read

7

/CE

Chip enable

8

C/D

Command/data

9

/RST

Controller reset

10~17

DB0~7

Data bus line

18

FS

Font select (H:6x8, L:8x8)

19

K

Power supply for B/L (GND)

20

A

Power supply for B/L (+)










Related Products

128x64 Graphic LCD Display Module | BG12864H

128x64 Graphic LCD Display Module | BG12864H

128x64 Graphic LCD Display Module | BG12864F

128x64 Graphic LCD Display Module | BG12864F

128x64 Graphic LCD Display Module | BG12864E

128x64 Graphic LCD Display Module | BG12864E

128x64 Graphic LCD Display Module | BG12864C1

128x64 Graphic LCD Display Module | BG12864C1

128x64 Graphic LCD Display Module | BG12864B

128x64 Graphic LCD Display Module | BG12864B

128x64 Graphic LCD Display Module | BG12864A

128x64 Graphic LCD Display Module | BG12864A