• 16x4-character-lcd-display-bc1604a

16x4 Character LCD display | BC1604A

● COB with metal frame
● 5x7 dots with cursor
● Built-in controller ST7066 or equivalent
● +5V single power supply
● 1/16 duty cycle
● LED B/L pins:15/16,or A/K or 1/2
● Option: LED , EL B/L
● Option: +3V single power supply
● Option: Negative voltage
Model : BC1604A


BC1604A


BC1604A is 16x4 characters LCD Module (LCM) made using Chip on Board (COB) method and comes with metal frame.

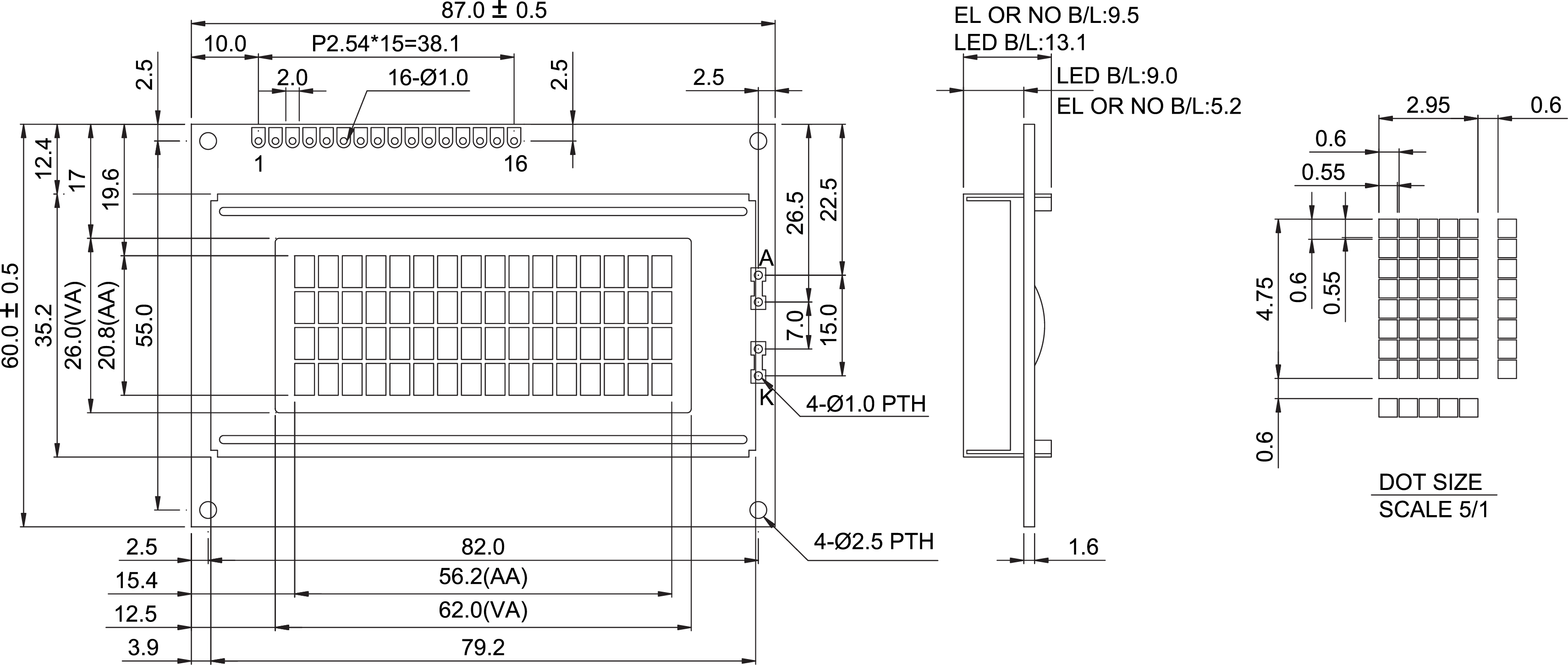
Module dimension of BC1604A is (87x60) mm and viewing area is (62x26) mm.

It has built-in controller ST7066 (or equivalent) that provides different language options, English, Japanese, Chinese, Western & Eastern European, Russian etc.

It is available without backlight or with LED, EL backlight options.

BC1604A LCD module is available in gray, yellow/green and blue LCD color.

bc1604a-drawing.png






● Mechanical Data

Item

Standard Value

Unit

Module Dimension

87.0 x 60.0 

mm

Viewing Area

62.0 x 26.0

mm

Dot Size

 0.55 x 0.55 

mm

Character Size

2.95 x 4.75

mm




● Pin Assignment

Pin

Symbol

Function

1

Vss

GND

2

Vdd

+5V (+3V option)

3

Vo

Contrast adjustment

4

RS

H/L register select signal

5

R/W

H/L read/write signal

6

E

H>L enable signal

7~14

DB0~7

H/L data bus line

15

A/Vee

Power Supply for B/L(+)/Negative voltage output

16

K

Power supply for B/L (GND)