16x1 Character LCD display | BC1601A
● COB with metal frame
● 5x7 dots with cursor
● Built-in controller ST7066 or equivalent
● +5V single power supply
5. 1/16 duty cycle
● LED B/L pins:15/16,or A/K or 1/2
● Option: LED array / edge B/L,EL B/L
● Option: +3V single power supply
● Option: negative voltage
BC1601A
BC1601A is 16x1 characters LCD Module (LCM) made using Chip on
Board (COB) method and comes with
metal frame.
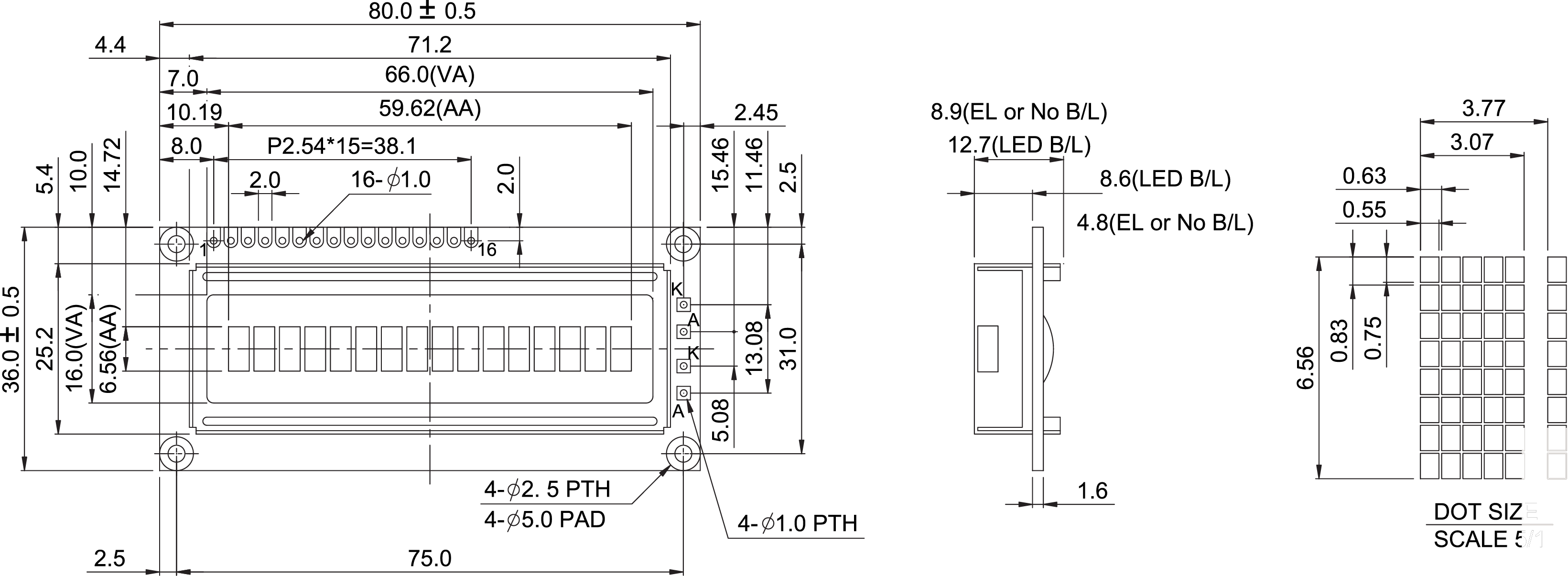
Module dimension of BC1601A is (80.00x36.00) mm and viewing area
is (66.0x16.0) mm.
It has built-in controller ST7066 (or equivalent) that provides
different language options, English, Japanese, Chinese, Western & Eastern
European, Russian etc.
It is available without backlight or with LED, EL backlight
options.
BC1601A LCD module is available in gray, yellow/green and blue
LCD color.

● Mechanical Data
Item
Standard Value
Unit
Module Dimension
80.0 x 36.0
mm
Viewing Area
66.0 x 16.0
mm
Dot Size
0.55 x 0.75
mm
Character Size
3.07 x 6.56
mm
● Pin Assignment
Pin
Symbol
Function
1
Vss
GND
2
Vdd
+5V (+3V option)
3
Vo
Contrast adjustment
4
RS
H/L register select signal
5
R/W
H/L read/write signal
6
E
H─>L enable
signal
7~14
DB0~7
H/L data bus line
15
A/Vee
Power Supply for B/L(+)/Negative voltage output
16
K
Power supply for B/L (GND)